HTA系列電磁鐵,適用于霍爾效應研究,磁電阻效應研究、磁滯伸縮研究、轉矩磁強計、力法磁強計、振動樣品磁強計、磁化率測量裝置、磁性材料測量裝置等。
HTA系列電磁鐵產品簡介:
HTA系列電磁鐵氣隙調節范圍寬,ji頭更換方便,適用于霍爾效應研究,磁電阻效應研究、磁滯伸縮研究、轉矩磁強計、力法磁強計、振動樣品磁強計、磁化率測量裝置、磁性材料測量裝置等。
HTA系列電磁鐵產品特點:
. 磁場氣隙雙向可調;
. 雙軛的結構形成閉合磁路;
. 有較好的剛性和磁場方向水平;
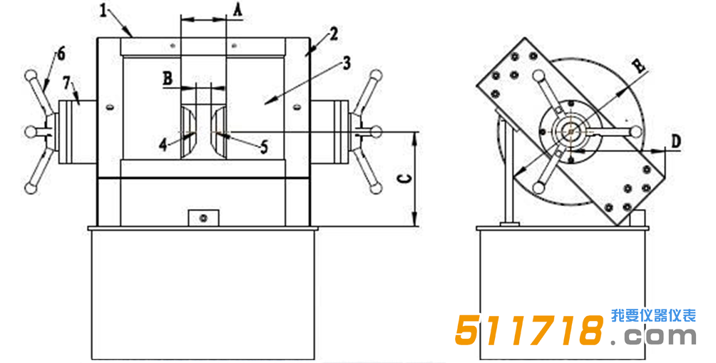
. 軛鐵斜式45度角座放,便于取放樣品和與其他設備的組合架構。
HTA系列電磁鐵各部位名稱:
1、橫軛
2、立軛
3、線包
4、ji面
5、ji頭
6、扳把
7、柱套
8、A線包間距、B氣隙、C*心高度、D*心水平距離、E線包直徑;
